HLMA 系列編碼器
- 產品特點:
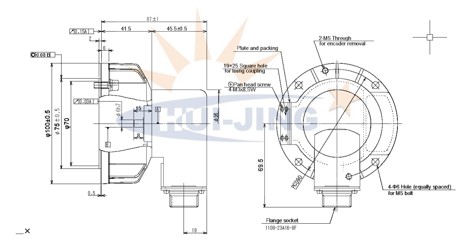
- 外型:Ø100 mm
- 軸心:Ø5、Ø6、8、9.35 mm
- PCD:90 mm
- 輸出方式: HTLs 互補式 (Push-pull) (Complementary)
- 脈波數:20~10000 P/R
- 最高轉速:6000 r/min
- 電壓: DC10.8~26.4V
- 防護等級IP 66
產品說明型號:
對應型號:
LMA-102.4BM-S324
LMA-60B-S185YA
LMA-102.4BM-S119A
LMA-102.4BM-S324A
LMA-250BM-S85
LMA-250BM-S88
LMA-250BM-S69A
LMA-25BM-G15EB
LMA-90B-S185YA
LMA-90B-S185YA ,ROD 430 900 ID:684658-05(LMA-90B-S185YC)
LMA-102.4BM-S324B/新ROD460 1024 28S14-KU ID:722032-01
LEC-102.4B-S190A,ROD 430 1024 ID 684658-18
IRS560-512-063 ,ROD430-512 ID:684658-17
LMA-60BM-C15F,ROD 430 600 ID:684658-1C
LEP-30BM ,ROD430-300 ID:684658-85
ROD 430 1536 01L00-HZ ID 684658-19
ROD 430 600 ID: 684658-03
ROD 430-1200 ID 684658-68
ROD 430 5000 24S12 ID:376834-40
ROD 430-300 ID:684658-85
ROD 430-1000,ID:684658-91
ROD 430-512, ID:684658-20
ROD 430-1000,ID:684658-91
替代型號:
ROD420-2500 ID:674653-73
ROD420-5000 ID:654653-52
ROD430-600 ID:684658-03
ROD430-600 ID:684658-1C
ROD430-900 ID:684658-05
ROD430-1000 ID:684658-91
ROD430-512 ID:684658-17
ROD430-512 ID:684658-20
ROD430 1024 ID:684658-21
ROD430-1024 ID:684658-18
ROD430-1024 ID:376834-20
ROD430 1536 ID:684658-19
ROD430-1200 ID:684658-68
ROD430-5000 ID:376834-40
ROD430-300 ID:684658-85
ROD430-300 ID:684658-01
ROD430 ID:684658-31
ROD460-1024 ID:684660-01

